Construction d'une résidence services séniors de 119 logements à SAINT LÔ
Construction d'une résidence services séniors de 119 logements "l'Alezane" à SAINT LO. La résidence l'Alezane est située à proximité du centre ville, de l'hôpital et juste à côté d'un pole santé. Elle dispose de 119 logements, allant du T1 au T3. Elle propose également des services communs : bar, salon multimédia, salle de sport, restaurant, piscine...
AEGIDE
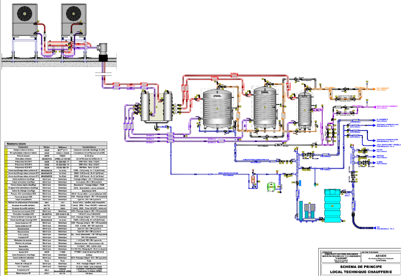
Etude d'exécution traitement d'air, ventilation, climatisation, plomberie, désenfumage.
Dimensionnement des réseaux et équipements, plans d'exécution et plans de réservations.
Entreprise CELFY


